AED

FAST Delivery, Quality Product

“Tubular cable lugs, Cu, standard type, with inspection hole” has been added to your cart.

Tubular cable lugs, Cu, standard type, with inspection hole - 14R14MS

brand
AED 100.00

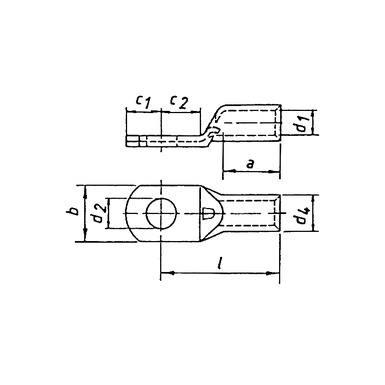
Approval of the tin-plated cable lugs for use with high-temperature cables 180° C (in acc. with IEC 61238-1-1): the cable lugs can be used with class 5 tin-plated conductors (fine-stranded). For multi-stranded round conductors, e.g. to EN 60228 Cl. 2. For pre-rounded multi-stranded sector shaped conductors. Ideal cable lug for control cabinet construction. In combination with EKM 60 ID and EKM 30ID suitable for fine-stranded conductor.

  • 14R14MS
  • 12R20MS
  • 12R16MS
  • 11R16MS
  • 10R16MS
  • 10R14MS
  • 9R16MS
  • 9R14MS
  • 8R16MS
  • 8R14MS
  • 7R6MS
  • 6R16MS
  • 6R14MS
  • 6R6MS
  • 3R8MS
  • 4R14MS
  • 3R6MS
  • 2R10MS
  • 14R16MS

Approval of the tin-plated cable lugs for use with high-temperature cables 180° C (in acc. with IEC 61238-1-1): the cable lugs can be used with class 5 tin-plated conductors (fine-stranded). For multi-stranded round conductors, e.g. to EN 60228 Cl. 2. For pre-rounded multi-stranded sector shaped conductors. Ideal cable lug for control cabinet construction. In combination with EKM 60 ID and EKM 30ID suitable for fine-stranded conductor.

brand-img Klauke is a German manufacturer of high-quality electrical connection technology and tools for crimping, cutting and punching.

Add a review

1 2 3 4 5